Industrial Automation
PSR-SPP- 24DC/URD3/4X1/2X2/3 - Extension module






| Product properties | Product type: Safety relays Product family: PSRclassic Application: Extension module Mechanical service life: approx. 107 cycles Relay type: Electromechanical relay with force-guided contacts in accordance with IEC/ENÃ61810-3 | 
| Electrical properties | Maximum power dissipation for nominal condition: 2.02 W Nominal operating mode: 100% operating factor Air clearances and creepage distances between the power circuits Rated insulation voltage: 250 V Rated surge voltage/insulation: 4 kV / basic isolation (safe isolation, reinforced insulation and 6 kV between input circuit/N/C contacts and enabling current paths). | 
| Input data | General Nominal input voltage UN: 24 VÃDC Input voltage range in reference to UN: 0.85 ... 1.1 Typical input current at UN: 94 mA Typical response time: 20 ms Typical release time range: 0.3 s ... 3 s +50Ã% (adjustable) Recovery time: 1 s Protective circuit: Fuse; PTC resistor Surge protection; Suppressor diode Operating voltage display: Green LED Status display: Green LED | 
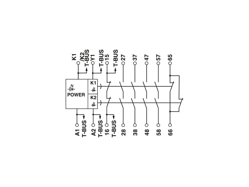
| Output data | Contact switching type: 4 delayed enabling current paths 1 delayed signaling current path 1 delayed confirmation current path Contact material: AgSnO2 Maximum switching voltage: 250 V AC/DC Minimum switching voltage: 15 V AC/DC Limiting continuous current: 6 A (N/O contact) 3 A (N/C contact) Maximum inrush current: 6 A (N/O contact) 3 A (N/C contact) Inrush current, minimum: 25 mA Sq. Total current: 50 A2 (ITH2 = I12 + I22 + I32 + I42) Interrupting rating (ohmic load) max.: 144 W (24 V DC, Ãâ = 0 ms, N/C contact 65/66: 72 W) 288 W (48 V DC, Ãâ = 0 ms, N/C contact 65/66: 144 W) 77 W (110 V DC, Ãâ = 0 ms) 88 W (220 V DC, Ãâ = 0 ms) 1500 VA (250 V AC, Ãâ = 0 ms, N/C contact 65/66: 750 VA) Maximum interrupting rating (inductive load): 48 W (24ÃVÃDC, ÃâÃ=Ã40Ãms) 40 W (48 V DC, Ãâ = 40 ms) 35 W (110 V DC, Ãâ = 40 ms) 33 W (220 V DC, Ãâ = 40 ms) Switching capacity min.: 0.4 W Switching capacity (360/h cycles): 6 A (24ÃVÃDC) 5 A (230 V AC) Switching capacity (3600/h cycles): 3 A (24ÃV (DC13)) 3 A (230 V (AC15)) Output fuse: 10 A gL/gG NEOZED (N/O contact) 4 A gL/gG NEOZED (N/C contact) | 
| Connection data | Connection technology pluggable: yes Conductor connection Connection method: Push-in connection Conductor cross section rigid: 0.2 mm² ... 1.5 mm² Conductor cross section flexible: 0.2 mm² ... 1.5 mm² Conductor cross section, flexible, with ferrule, with plastic sleeve: 0.25 mm² ... 1.5 mm² (only together with CRIMPFOX 6) Conductor cross section flexible, with ferrule without plastic sleeve: 0.25 mm² ... 1.5 mm² (only together with CRIMPFOX 6) Conductor cross-section AWG: 24 ... 16 Stripping length: 8 mm | 
| Dimensions | Width: 22.5 mm Height: 112 mm Depth: 114.5 mm | 
| Material specifications | Housing material: Polyamide | 
| Characteristics | Safety data Stop category: 1 Safety data: ENÃISOÃ13849 Category: 3 (In conjunction with suitable evaluating device) Performance level (PL): e (In conjunction with suitable evaluating device) Safety data: IEC 61508 - High demand Safety Integrity Level (SIL): 3 (In conjunction with suitable evaluating device) Safety data: IEC 61508 - Low demand Safety Integrity Level (SIL): 3 (In conjunction with suitable evaluating device) Safety data: ENÃIEC 62061 Safety Integrity Level (SIL): 3 (In conjunction with suitable evaluating device) | 
| Environmental and real-life conditions | Ambient conditions Degree of protection: IP20 Min. degree of protection of inst. location: IP54 Ambient temperature (operation): -20°C ... 55°C Ambient temperature (storage/transport): -40°C ... 70°C Maximum altitude: max. 2000 m (Above sea level) Max. permissible humidity (storage/transport): 75 % (on average, 85% infrequently, non-condensing) Max. permissible relative humidity (operation): 75 % (on average, 85% infrequently, non-condensing) | 
| Standards and regulations | Air clearances and creepage distances between the power circuits Standards/regulations: IEC 60664-1 | 
| Mounting | Mounting type: DIN rail mounting Mounting position: any Connection method: Push-in connection | 
Description other products

