Industrial Automation


| Product properties | Product type: Safety relays Product family: PSRclassic Application: Extension module Mechanical service life: approx. 107 cycles Relay type: Electromechanical relay with force-guided contacts in accordance with IEC/ENÃ61810-3 Times Typical response time: 125 ms (For Us autostart) Typical release time: 10 ms (on demand via the sensor circuit) Recovery time: 1 s (following demand of the safety function) |
| Electrical properties | Maximum power dissipation for nominal condition: 16.44 W (USÃ=Ã26.4ÃV, IL²Ã=Ã72ÃA², PTotalÃmaxÃ=Ã2.04ÃWÃ+Ã14.4ÃW) Nominal operating mode: 100% operating factor Air clearances and creepage distances between the power circuits Rated insulation voltage: 250 V Rated surge voltage/insulation: 4 kV / Basic isolation, (safe isolation, reinforced insulation and 6 kV between input circuit and enabling current paths.) |
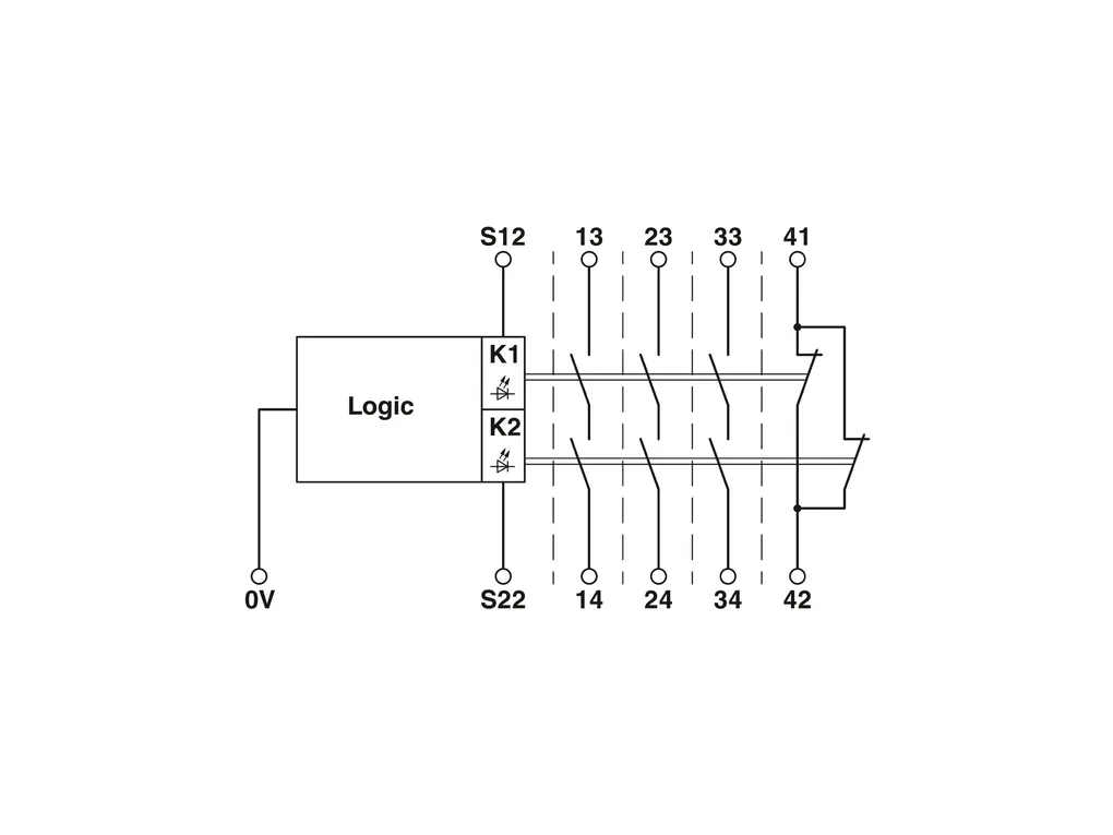
| Input data | Digital: Logic (S12, S22) Description of the input: safety-related Number of inputs: 2 Input voltage range "0" signal: 0 VÃDC ... 5 VÃDC Input voltage range "1" signal: 20.4 V ... 26.4 V Input current range "0" signal: 0 mA ... 2 mA Inrush current: max. 110 mA (typically with US, ÃâtÃ=Ã3Ãms) Filter time: max. 2 ms (Test pulse width low test pulses, at 100Ãms test pulse rate) No brightness test pulses / high test pulses permitted. Concurrence: âÃà ¾ Max. permissible overall conductor resistance: 50 é Protective circuit: Suppressor diode Current consumption: 38 mA (typical, at 24 V) |
| Output data | Relay: Enabling current paths (13/14, 23/24, 33/34) Output description: 2 N/O contacts each in series, safety-related, floating Number of outputs: 3 Contact switching type: 3 enabling current paths Contact material: AgSnO2 Switching voltage: min. 10 V max. 250 VÃAC Switching capacity: min. 100 mW Inrush current: min. 10 mA max. 6 A Switching capacity in accordance with IEC 60947-5-1: 5 A (AC15) 6 A (DC13) Limiting continuous current: 6 A (Observe derating and load limit curve) Sq. Total current: 72 A2 (observe derating) Switching frequency: max. 0.5 Hz Mechanical service life: 10x 106 cycles Output fuse: 10 A gL/gG 4 A gL/gG (for low-demand applications) Relay: Signaling current path (41/42) Output description: 2 N/C contacts parallel, non-safety-related, floating Number of outputs: 1 Contact switching type: 1 signaling current path Contact material: AgSnO2 Switching voltage: min. 10 V AC/DC max. 250 VÃAC Switching capacity: min. 100 mW Inrush current: min. 10 mA max. 6 A Switching capacity in accordance with IEC 60947-5-1: 1.5 A (AC15) 2 A (DC13) Limiting continuous current: 6 A Sq. Total current: 36 A2 Switching frequency: max. 0.5 Hz Mechanical service life: 10x 106 cycles Output fuse: 6 A gL/gG |
| Connection data | Connection technology pluggable: yes Conductor connection Connection method: Push-in connection Conductor cross section rigid: 0.2 mm² ... 1.5 mm² Conductor cross section flexible: 0.2 mm² ... 1.5 mm² Conductor cross section, flexible, with ferrule, with plastic sleeve: 0.25 mm² ... 1.5 mm² (only together with CRIMPFOX 6) Conductor cross section flexible, with ferrule without plastic sleeve: 0.25 mm² ... 1.5 mm² (only together with CRIMPFOX 6) Conductor cross-section AWG: 24 ... 16 Stripping length: 8 mm |
| Signaling | Status display: 2 x green LEDs |
| Dimensions | Width: 22.5 mm Height: 117.5 mm Depth: 114.5 mm |
| Material specifications | Housing material: Polyamide |
| Characteristics | Safety data Stop category: 0 Safety data: ENÃISOÃ13849 Category: 4 Performance level (PL): e (5ÃAÃDC13; 5ÃAÃAC15; 8760Ãswitching cycles/year) Safety data: IEC 61508 - High demand Safety Integrity Level (SIL): 3 Safety data: IEC 61508 - Low demand Safety Integrity Level (SIL): 3 Safety data: ENÃIEC 62061 Safety Integrity Level (SIL): 3 |
| Environmental and real-life conditions | Ambient conditions Degree of protection: IP20 Min. degree of protection of inst. location: IP54 Ambient temperature (operation): -20°C ... 55°C Ambient temperature (storage/transport): -40°C ... 70°C Maximum altitude: ââ°¤ 2000 m (Above sea level) Max. permissible humidity (storage/transport): 75 % (on average, 85% infrequently, non-condensing) Max. permissible relative humidity (operation): 75 % (on average, 85% infrequently, non-condensing) Shock: 15g Vibration (operation): 10ÃHzÃ...Ã150ÃHz, amplitude 0.15Ãmm, 2g |
| Approvals | CE Identification: CE-compliant |
| Standards and regulations | Air clearances and creepage distances between the power circuits Standards/regulations: DINÃENÃ60947-1 |
| Mounting | Mounting type: DIN rail mounting Mounting position: vertical or horizontal Connection method: Push-in connection |
Description other products

