Industrial Automation


| Notes | General: For wall cutouts of type B24 |
| Product properties | Type: B24 Product type: Adapter plate Seal present: yes |
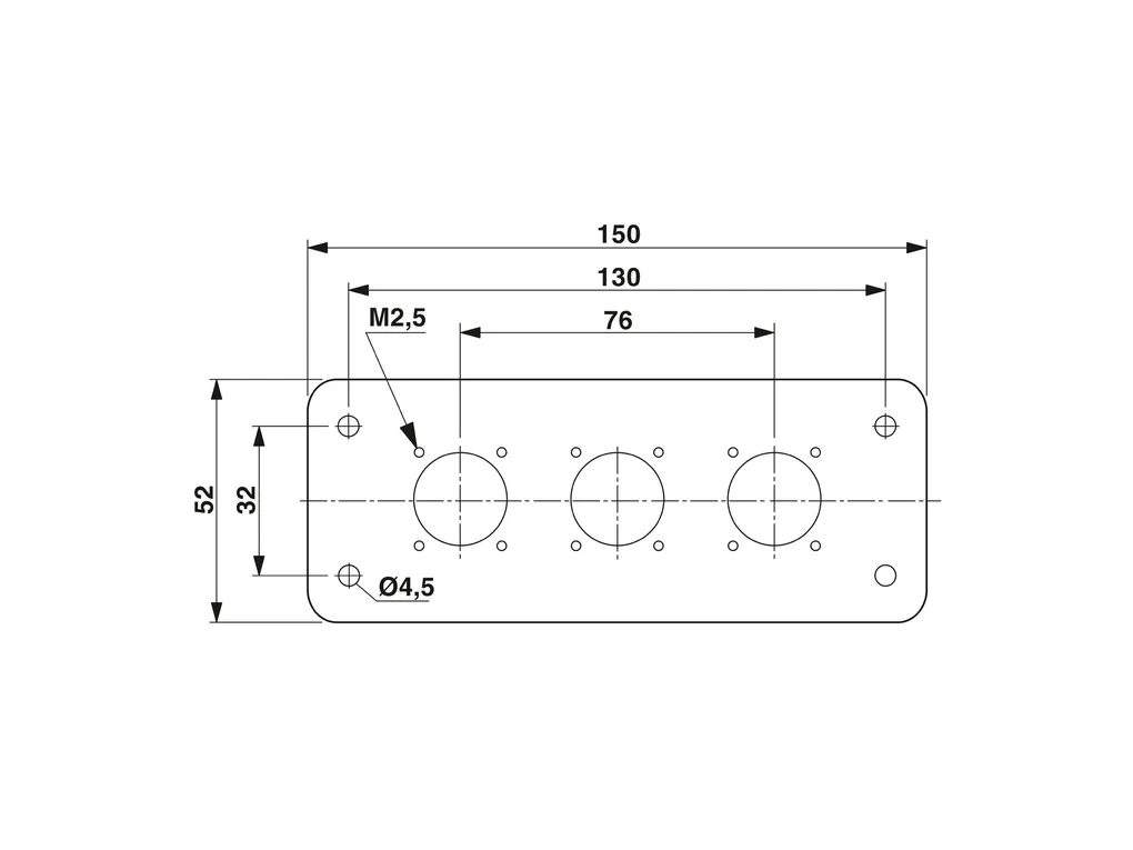
| Dimensions | Dimensional drawing: https://dam-mdc.phoenixcontact.com/rendition/156443151564/2a99443cf3805c4ab3ce28e67baa5864/-S204x204-FJPG Width: 52 mm Height: 7 mm Length: 150 mm Drill hole distance, horizontal: 130 mm Drill hole distance, vertical: 32 mm Hole diameter: 4.5 mm Internal dimensions Internal cutout dimension: 3 x 21 mm Installation dimensions Width of the assembly cutout: 36 mm Length of the assembly cutout: 113 mm |
| Material specifications | Material: PA Flammability rating according to UL 94: HB Seal material: PTS |
| Environmental and real-life conditions | Ambient conditions Degree of protection: IP54 Ambient temperature (operation): -20°C ... 100°C |
Description other products
