Industrial Automation


| Notes | Note on application Note on application: Only for industrial use |
| Product properties | Product type: Safety relays Product family: PSRclassic Application: Extension module Mechanical service life: 10x 106 cycles Relay type: Electromechanical relay with force-guided contacts in accordance with IEC/EN 61810-3 Data management status Article revision: 00 Times Typ. starting time with Us: < 25 ms (with Us / when controlled via A1) Typical release time: < 20 ms (with Us / when controlled via A1) Recovery time: < 1 s |
| Electrical properties | Maximum power dissipation for nominal condition: 16.6 W (US = 26.4 V, IL² = 72 A², PTotal max = 2.2 W + 14.4 W) Nominal operating mode: 100% operating factor Air clearances and creepage distances between the power circuits Rated insulation voltage: 250 V Rated surge voltage/insulation: See section ââ¬Ã Insulation coordinationâ⬠|
| Input data | Digital: A1 Description of the input: safety-related Number of inputs: 1 Input voltage range "1" signal: 19.2 V ... 26.4 V Max. permissible overall conductor resistance: 25 é Protective circuit: Suppressor diode Current consumption: typ. 75 mA |
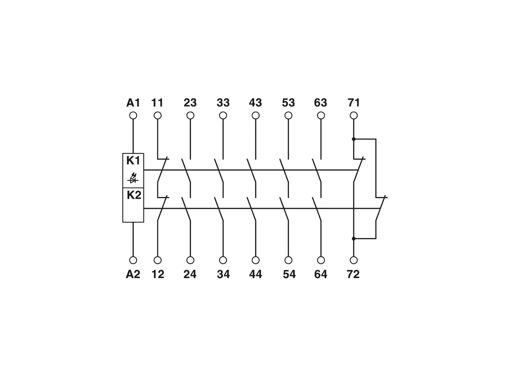
| Output data | Relay: Enabling current paths (23/24 ... 63/64) Output description: 2 N/O contacts each in series, safety-related, floating Number of outputs: 5 Contact switching type: 5 enabling current paths Contact material: AgSnO2 Switching voltage: min. 10 V max. 250 V AC/DC Switching capacity: min. 100 mW Inrush current: min. 10 mA max. 20 A (ââ°¤ 100 ms) Switching capacity in accordance with IEC 60947-5-1: 3 A (AC15) 5 A (DC13) Limiting continuous current: 6 A (observe derating) Sq. Total current: 72 A2 (observe derating) Switching frequency: max. 1 Hz Mechanical service life: 10x 106 cycles Output fuse: 10 A gL/gG 4 A gL/gG (for low-demand applications) Relay: Signaling current path (71/72) Output description: 2 N/C contacts parallel, non-safety-related, floating Number of outputs: 1 Contact switching type: 1 signaling current path Contact material: AgSnO2 Switching voltage: min. 5 V AC/DC max. 250 V AC/DC Switching capacity: min. 50 mW Inrush current: min. 10 mA max. 6 A Switching capacity in accordance with IEC 60947-5-1: 1.5 A (AC15) 5 A (DC13) Limiting continuous current: 6 A Sq. Total current: 36 A2 Switching frequency: max. 1 Hz Mechanical service life: 10x 106 cycles Output fuse: 6 A (gL/gG) Relay: Confirmation current path (11/12) Output description: Diagnostic contact, 2 NC in series, floating Number of outputs: 1 Contact switching type: 1 confirmation current path Contact material: AgSnO2 Switching voltage: max. 250 V AC/DC min. 10 V Switching capacity: min. 100 mW Inrush current: max. 6 A Switching capacity in accordance with IEC 60947-5-1: 1.5 A (AC15) 3 A (DC13) Limiting continuous current: 6 A Sq. Total current: 36 A2 Switching frequency: max. 0.5 Hz Output fuse: 10 A (gL/gG) |
| Connection data | Connection technology pluggable: yes Conductor connection Connection method: Push-in connection Conductor cross section rigid: 0.2 mm² ... 1.5 mm² Conductor cross section flexible: 0.2 mm² ... 1.5 mm² Conductor cross section, flexible, with ferrule, with plastic sleeve: 0.25 mm² ... 1.5 mm² (only together with CRIMPFOX 6) Conductor cross section flexible, with ferrule without plastic sleeve: 0.25 mm² ... 1.5 mm² (only together with CRIMPFOX 6) Conductor cross-section AWG: 24 ... 16 Stripping length: 8 mm |
| Signaling | Operating voltage display: 1 x green LED |
| Dimensions | Width: 22.5 mm Height: 112 mm Depth: 114.5 mm |
| Material specifications | Color (Housing): yellow (RAL 1018) Housing material: Polyamide |
| Characteristics | Safety data Stop category: 0 Safety data: EN ISO 13849 Category: 4 (In conjunction with suitable evaluating device) Performance level (PL): e (In conjunction with suitable evaluating device) Safety data: IEC 61508 - High demand Safety Integrity Level (SIL): 3 (In conjunction with suitable evaluating device) Safety data: IEC 61508 - Low demand Safety Integrity Level (SIL): 3 (In conjunction with suitable evaluating device) Safety data: EN IEC 62061 Safety Integrity Level (SIL): 3 (In conjunction with suitable evaluating device) |
| Environmental and real-life conditions | Ambient conditions Degree of protection: IP20 Min. degree of protection of inst. location: IP54 Ambient temperature (operation): -20 °C ... 55 °C (observe derating) Ambient temperature (storage/transport): -40 °C ... 70 °C Maximum altitude: max. 2000 m (Above sea level) Max. permissible humidity (storage/transport): 75 % Max. permissible relative humidity (operation): 75 % Shock: 15g Vibration (operation): 10 Hz ... 150 Hz, amplitude 0.15 mm, 2g |
| Approvals | CE Identification: CE-compliant |
| Mounting | Mounting type: DIN rail mounting Assembly note: See derating curve Mounting position: vertical or horizontal |
Description other products


