Industrial Automation


| Notes | General: The electrical and mechanical data specified assume that the connector pair is correctly locked and mounted. If the connector is unlocked and if there is a danger of contamination, the connector must be sealed using a protective cap > IP54. Influences arising from litz wires, cables or PCB assembly must also be taken into consideration. |
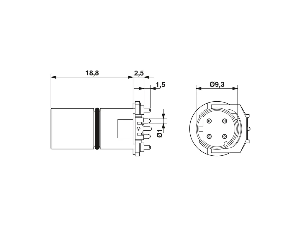
| Product properties | Product type: Contact insert Number of positions: 4 Coding: D Thread type: M12 Insulation characteristics Overvoltage category: II Degree of pollution: 3 |
| Electrical properties | Rated surge voltage: 2.5 kV Contact resistance: ââ°¤ 3 mé Insulation resistance: ââ°¥ 100 Mé Nominal voltage UN: 250 V Nominal current IN: 4 A |
| Material specifications | Flammability rating according to UL 94: V0 Seal material: FKM / EPDM Contact material: CuZn Contact surface material: Au Contact carrier material: PA 6.6 |
| Connector | Connection 1 Head design: Pin Head cable outlet: straight Coding: D |
| Cable/line | Ambient temperature (operation): -40°C ... 85°C (cable, fixed installation) -25°C ... 85°C (Cable, flexible installation) |
| Mechanical properties | Mechanical data Insertion/withdrawal cycles: > 100 |
| Environmental and real-life conditions | Ambient conditions Degree of protection: IP67 Ambient temperature (operation): -25°C ... 85°C (Plug / socket) -40°C ... 85°C (without mechanical actuation) -25°C ... 85°C (Cable, flexible installation) -40°C ... 85°C (cable, fixed installation) |
| Standards and regulations | M12 Standard designation: M12 connector Standards/specifications: IEC 61076-2-101 |
| Mounting | Mounting type: PCB mounting Connection method: THR solder connection |
Description other products

