Automazione Industriale
PSR-SCP- 24UC/ESA4/2X1/1X2 - Safety relays
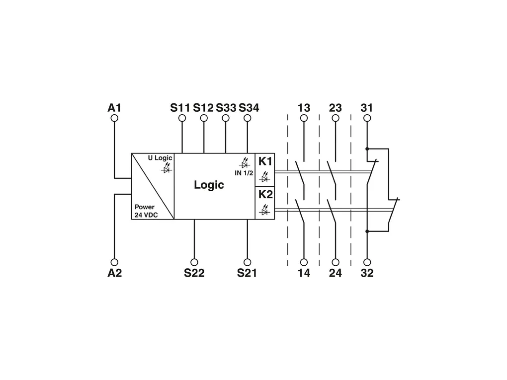
Safety relay for emergency stop and safety door monitoring up to SIL3 or Cat.4, PLe in accordance with ENISO13849, 2-channel operation, 2enabling current paths, nominal input voltage: 24VDC, plug-in screw terminal block
Cod. Articolo: 2963750 
Cod. Fornitore: 2963750 
PHOENIX CONTACT





