Automazione Industriale
PSR-SPP- 24UC/ESM4/2X1/1X2 - Safety relays
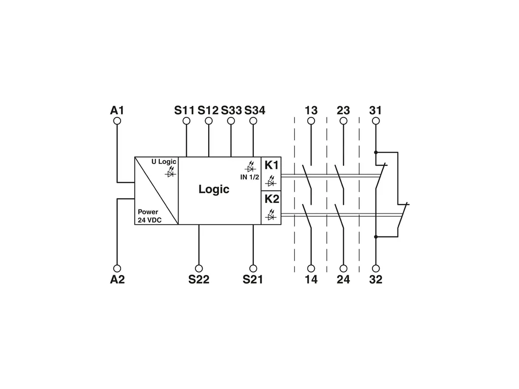
Safety relay for emergency stop and safety door monitoring up to SIL3 or Cat.4, PLe in accordance with ENISO13849, 2-channel operation, 2enabling current paths, nominal input voltage: 24VDC, plug-in Push-in terminal block
Cod. Articolo: 2963705 
Cod. Fornitore: 2963705 
PHOENIX CONTACT





